
- 電話: 010-64734946 64734947 64738638
- 傳真: 010-64738090
當前位置:首頁 >> 公司新聞
西門子G120變頻器脈沖輸入的應用
信息來源:西門子中國 發布時間:2020-07-01 11:38:21 點擊次數:0
SINAMICS G120/G120D變頻器中具有脈沖輸入接口,通過檢測脈沖頻率來監控電機速度,也可以用作電機的速度設定值。變頻器可以處理最高頻率為32kHz的脈沖序列。適用于汽車加工產線、機床加工設定速度值,運行傳動裝置或起重機上的齒輪箱監控、風機或輸送帶上的旋轉監控和堵轉保護等。
1.2 支持產品及硬件接口

<表1-1 產品說明>
1.3 參數說明
<表1-2 參數說明>
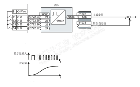
1.4.1脈沖序列輸入作為設定值源

<圖1-1 脈沖序列作為速度設定值>
控制單元CU250S-2,使用輸入脈沖頻率作為電機轉速設定值源。假設輸入15kHz脈沖序列對應電機速度設定值1500rpm,則每轉的脈沖數為10。DI24作為輸入端。
相應參數設置如下:

<表1-3 參數設置>
1.4.2脈沖序列輸入作為速度監控

<圖1-2 脈沖序列作為速度反饋>
控制單元CU250S-2,使用輸入脈沖頻率作為電機轉速反饋源。變頻器拖動電機,傳動軸安裝傳感器用于監控負載轉速,假設傳動軸轉動1圈輸出3個脈沖,電機軸與傳動軸的傳動比為10:1,當電機實際速度與檢測值相差超過200rpm時變頻器輸出報警信息A07922。DI24做為輸入端。
相應參數設置如下:
<表1-4 參數設置>
注意:
1、變頻器通過檢測輸入脈沖的頻率并計算作為速度反饋或速度設定值,但無法實現位置控制。
2、修改P580過程中,如果變頻器報F1044故障,需要將參數P971=1,然后斷電重新上電復位故障。

