
- 電話: 010-64734946 64734947 64738638
- 傳真: 010-64738090
當前位置:首頁 >> 行業資訊
對于不能長期運行的變頻器傳動應用,如何維護區間電路
信息來源:西門子 發布時間:2011-05-17 09:31:10 點擊次數:0
當使用西門子MM430/MM440或者G120/G120D變頻器來驅動風機或者水泵,而風機或者水泵又不能長期運行,該如何維護電路(區間電路)?
回答:
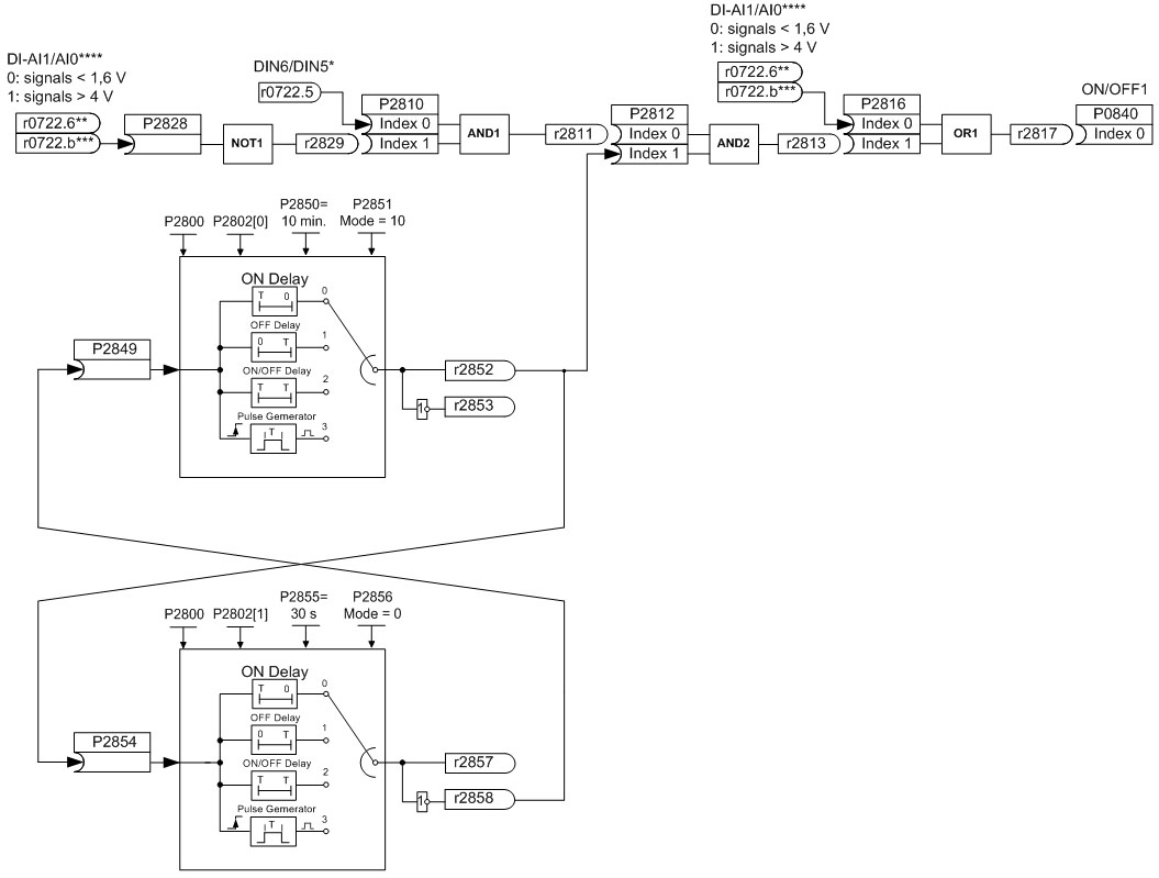
對于一些應用,例如當風機或者水泵使用了一段時間后,必須要維護電路。例如,工業使用的烤箱,它使用風扇來抽取熱空氣,而這種應用中的風扇不能連續運行,而是必須以最小頻率運行一小段時間,運行時間到以后,然后在斷電的情況下保持較長的時間。
以下可能的范例需要仔細考慮。
Example:
對于沒有起動命令( AI1/AI0**** < 4 V的信號) 的操作,時間間隔如下:
- 沒有運行,10分鐘后再上電
- 以最小頻率15赫茲運行30秒
- 然后停10分鐘
- 重復這個過程
對于“正常”操作(帶有啟動命令和頻率設定),不需要激活維護電路。然而,可能需要從外部切換到維護電路(例如:使用數字輸入)。
通過模擬量來輸入或者把數字輸入設置設定值。15赫茲被設定為最大頻率。
通過模擬量或者數字輸入來控制變頻器:
- MM430和MM440 通過數字輸入7-- 模擬量輸入AI1(P0707)
- G120 和 G120D 通過模擬量/數字輸入AI0 (P0712)
注意:信號大于4V時激活,小于1.6V時斷開。
對于MM430、MM440和G120、G120D變頻器來說,這個功能可通過設置自由功能塊來實現。
變頻器的參數設置如下:
P0700.0 = 2 // 命令源=端子
P1000.0 = 2 // 頻率設定=模擬量
P0706.0 = 99 // 數字輸入6/數字輸入5* = BiCo – 通過外部數字輸入6/數字輸入5*來使能維護電路
P0707.0 = 99** // 數字輸入7 = BiCo(二進制互聯功能) – 通過數字輸入7(模擬量輸入AI1)來控制MM430和MM440變頻器
P0712.0 = 99*** // 模擬量/數字輸入0 = BiCo (二進制互聯功能)– 通過模擬量/數字輸入AI0來控制G120和G120D變頻器
P0701.0 = 0 // 數字輸入1禁止
P0840.0 = 2817.0 // 起/停 = 或門1的輸出
P1080.0 = 15.00 // 最小頻率:15赫茲
P2800 = 1 // 激活自由功能塊
P2801.0 = 1 // 激活與門1
P2801.1 = 1 // 激活與門2
P2801.3 = 1 // 激活或門1
P2801.9 = 1 // 激活非門1
P2802.0 = 1 // 激活定時器1
P2802.1 = 1 // 激活定時器2
P2810.0 = 722.5 // 與門1的第一個輸入=通過數字輸入6/數字輸入5接通外部維護電路*
P2810.1 = 2829.0 // 與門1的第二個輸入=非門1的輸出
P2812.0 = 2811.0 // 與門2的第一個輸入 = 與門1的輸出
P2812.1 = 2852.0 // 與門2的第二個輸入=定時器1的輸出
P2816.0 = 722.6** // 或門1的第一個輸入 = 數字輸入7 - 模擬量輸入AI1**
P2816.0 = 722.b*** // 或門1的第一個輸入 = 模擬量/數字輸入AI0***
P2816.1 = 2813.0 // 或門1的第二個輸入 = 與門2的輸出
P2828 = 722.6** // 非門1的輸入 = 數字輸入7- 模擬量輸入AI1**
P2828 = 722.b*** // 非門1的輸入 = 模擬量/數字輸入AI0***
P2849 = 2858.0 // 定時器1的輸入 = 定時器2的輸出取反
P2850 = 10.0 // 定時器1的延遲時間= 10分鐘
P2851 = 10 // 定時器1的模式 = 接通延時 單位:分鐘
P2854 = 2852.0 // 定時器2的輸入 = 定時器1的輸出
P2855 = 30.0 // 定時器2的延遲時間 = 30秒
P2856 = 0 // 定時器2模式 = 接通延時 單位:秒

* 數字輸入6對應MM4,數字輸入5對應G120/G120D
** 只適用于MM430/MM440的設定
*** 只適用于G120/G120D的設定
**** AI1適用于MM4,AI0適用于G120/G120D
當用STARTER軟件對MM440/MM430 and G120/G120D進行快速調試時,可以使用附件中的腳本。
注意:
在你使用腳本文件時,請將變頻器中的參數恢復到工廠設置(P0010=30, P0970=1)。
詳細地過程如下:
1. 將附件中的腳本文件保存到你計算機的硬盤上。.
2. 通過右鍵單擊你的驅動軸,并在“Expert”下選擇“Insert script folder”,就可以在你的STARTER項目中為驅動軸建立一個腳本文件夾。
一個新的文件夾"SCRIPTS" 出現在驅動下面的樹型結構中。
3. 按照下面的描述將腳本文件從你的文件夾中導入到STARTER中。
- 使用右鍵單擊"SCRIPTS";
- 單擊"ASCII import..." 并打開要求的腳本文件;
- 給打開的文件指定一個名字并單擊OK確認。
4.
通過在腳本上右鍵單擊并點擊 "Accept and execute"; 或者雙擊腳本然后按下按鈕 "Accept and execute",就可以執行腳本文件了。
Maintenance_circuit_G120.txt ( 2 KB )
Maintenance_circuit_MM4.txt ( 2 KB )
Written by: A&D SD CST
回答:
對于一些應用,例如當風機或者水泵使用了一段時間后,必須要維護電路。例如,工業使用的烤箱,它使用風扇來抽取熱空氣,而這種應用中的風扇不能連續運行,而是必須以最小頻率運行一小段時間,運行時間到以后,然后在斷電的情況下保持較長的時間。
以下可能的范例需要仔細考慮。
Example:
對于沒有起動命令( AI1/AI0**** < 4 V的信號) 的操作,時間間隔如下:
- 沒有運行,10分鐘后再上電
- 以最小頻率15赫茲運行30秒
- 然后停10分鐘
- 重復這個過程
對于“正常”操作(帶有啟動命令和頻率設定),不需要激活維護電路。然而,可能需要從外部切換到維護電路(例如:使用數字輸入)。
通過模擬量來輸入或者把數字輸入設置設定值。15赫茲被設定為最大頻率。
通過模擬量或者數字輸入來控制變頻器:
- MM430和MM440 通過數字輸入7-- 模擬量輸入AI1(P0707)
- G120 和 G120D 通過模擬量/數字輸入AI0 (P0712)
注意:信號大于4V時激活,小于1.6V時斷開。
對于MM430、MM440和G120、G120D變頻器來說,這個功能可通過設置自由功能塊來實現。
變頻器的參數設置如下:
P0700.0 = 2 // 命令源=端子
P1000.0 = 2 // 頻率設定=模擬量
P0706.0 = 99 // 數字輸入6/數字輸入5* = BiCo – 通過外部數字輸入6/數字輸入5*來使能維護電路
P0707.0 = 99** // 數字輸入7 = BiCo(二進制互聯功能) – 通過數字輸入7(模擬量輸入AI1)來控制MM430和MM440變頻器
P0712.0 = 99*** // 模擬量/數字輸入0 = BiCo (二進制互聯功能)– 通過模擬量/數字輸入AI0來控制G120和G120D變頻器
P0701.0 = 0 // 數字輸入1禁止
P0840.0 = 2817.0 // 起/停 = 或門1的輸出
P1080.0 = 15.00 // 最小頻率:15赫茲
P2800 = 1 // 激活自由功能塊
P2801.0 = 1 // 激活與門1
P2801.1 = 1 // 激活與門2
P2801.3 = 1 // 激活或門1
P2801.9 = 1 // 激活非門1
P2802.0 = 1 // 激活定時器1
P2802.1 = 1 // 激活定時器2
P2810.0 = 722.5 // 與門1的第一個輸入=通過數字輸入6/數字輸入5接通外部維護電路*
P2810.1 = 2829.0 // 與門1的第二個輸入=非門1的輸出
P2812.0 = 2811.0 // 與門2的第一個輸入 = 與門1的輸出
P2812.1 = 2852.0 // 與門2的第二個輸入=定時器1的輸出
P2816.0 = 722.6** // 或門1的第一個輸入 = 數字輸入7 - 模擬量輸入AI1**
P2816.0 = 722.b*** // 或門1的第一個輸入 = 模擬量/數字輸入AI0***
P2816.1 = 2813.0 // 或門1的第二個輸入 = 與門2的輸出
P2828 = 722.6** // 非門1的輸入 = 數字輸入7- 模擬量輸入AI1**
P2828 = 722.b*** // 非門1的輸入 = 模擬量/數字輸入AI0***
P2849 = 2858.0 // 定時器1的輸入 = 定時器2的輸出取反
P2850 = 10.0 // 定時器1的延遲時間= 10分鐘
P2851 = 10 // 定時器1的模式 = 接通延時 單位:分鐘
P2854 = 2852.0 // 定時器2的輸入 = 定時器1的輸出
P2855 = 30.0 // 定時器2的延遲時間 = 30秒
P2856 = 0 // 定時器2模式 = 接通延時 單位:秒

* 數字輸入6對應MM4,數字輸入5對應G120/G120D
** 只適用于MM430/MM440的設定
*** 只適用于G120/G120D的設定
**** AI1適用于MM4,AI0適用于G120/G120D
當用STARTER軟件對MM440/MM430 and G120/G120D進行快速調試時,可以使用附件中的腳本。
注意:
在你使用腳本文件時,請將變頻器中的參數恢復到工廠設置(P0010=30, P0970=1)。
詳細地過程如下:
1. 將附件中的腳本文件保存到你計算機的硬盤上。.
2. 通過右鍵單擊你的驅動軸,并在“Expert”下選擇“Insert script folder”,就可以在你的STARTER項目中為驅動軸建立一個腳本文件夾。
一個新的文件夾"SCRIPTS" 出現在驅動下面的樹型結構中。
3. 按照下面的描述將腳本文件從你的文件夾中導入到STARTER中。
- 使用右鍵單擊"SCRIPTS";
- 單擊"ASCII import..." 并打開要求的腳本文件;
- 給打開的文件指定一個名字并單擊OK確認。
4.
通過在腳本上右鍵單擊并點擊 "Accept and execute"; 或者雙擊腳本然后按下按鈕 "Accept and execute",就可以執行腳本文件了。
Maintenance_circuit_G120.txt ( 2 KB )
Maintenance_circuit_MM4.txt ( 2 KB )
Written by: A&D SD CST

