
- 電話: 010-64734946 64734947 64738638
- 傳真: 010-64738090
當前位置:首頁 >> 行業資訊
SINAMICS G120 / G120C 信號通過端子交換
信息來源:西門子中國 發布時間:2011-06-10 09:19:35 點擊次數:0
和安全相關的信號是怎樣在SimaticS7 的fail-safe輸出模塊和G120 / G120C 的fail-safe輸入之間相互交換的?
答案:
G120 / G120C(裝有CU240E-2, CU240E-2 DP, CU240E-2 F, CU240E-2 DP-F; FW 4.4的控制單元) 會在輸入端子對測試脈沖濾波(請參照《安全集成功能手冊3.2.2》、《SINAMICS G120 and G120C 功能手冊 1/2011》FW 4.4, A5E03052391A AB)
S7-300模塊的F- DO 10 x DC 24V/2A (6ES7326-2BF01-0AB0)是PP開關,可以直接同變頻器的fail-safe 信號輸入相連。信號濾波應在G120 / G120C激活。
(請參照《安全集成功能手冊3.2.2》、《SINAMICS G120 和 G120C 功能手冊 1/2011》FW 4.4, A5E03052391A AB)

變頻器和SM326 IO模塊在同一個控制柜中的相互連接
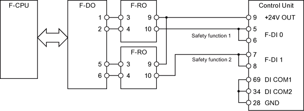
3. ET200S 4 F-DO (6ES7138-4FB03-0AB0)模塊和300系列(6ES7326-2BF41-0AB0)的八道326 F- DO輸入模塊都是PM開關,不能夠同變頻器直接相連,因為會出現回讀故障。這就是為什么這里必須使用繼電器接口。對于ET200S來說,可以通過F-RO模塊((6ES7138-4FR00-0AA0)實現此功能。

變頻器和IO模塊在一個控制柜中的相互連接
答案:
G120 / G120C(裝有CU240E-2, CU240E-2 DP, CU240E-2 F, CU240E-2 DP-F; FW 4.4的控制單元) 會在輸入端子對測試脈沖濾波(請參照《安全集成功能手冊3.2.2》、《SINAMICS G120 and G120C 功能手冊 1/2011》FW 4.4, A5E03052391A AB)
S7-300模塊的F- DO 10 x DC 24V/2A (6ES7326-2BF01-0AB0)是PP開關,可以直接同變頻器的fail-safe 信號輸入相連。信號濾波應在G120 / G120C激活。
(請參照《安全集成功能手冊3.2.2》、《SINAMICS G120 和 G120C 功能手冊 1/2011》FW 4.4, A5E03052391A AB)

變頻器和SM326 IO模塊在同一個控制柜中的相互連接
3. ET200S 4 F-DO (6ES7138-4FB03-0AB0)模塊和300系列(6ES7326-2BF41-0AB0)的八道326 F- DO輸入模塊都是PM開關,不能夠同變頻器直接相連,因為會出現回讀故障。這就是為什么這里必須使用繼電器接口。對于ET200S來說,可以通過F-RO模塊((6ES7138-4FR00-0AA0)實現此功能。

變頻器和IO模塊在一個控制柜中的相互連接

